產品介紹
策略合作
食品級氣動泵 / 義大利fluimac
PF1000 型,3吋,快拆接頭
產品特點:
● 長效耐用的膜片結構設計
● 高效的氣源換向分配設計
● 持久不漏液的螺栓緊固設計
● 換向閥便於更換的設計
● 最佳化的膜片夾緊設計,減少滲漏破損
● 雙消音器設計,減少結冰降低噪音
● 最佳化的液流結構,減少氣源消耗量
● 多種流量口徑及材質,可適用於不同應用場合
● 不卡機的設計,降低泵的損壞機會
● 不鏽鋼316電解拋光,食品夾接
● 符合食品FDA認證,可選全不鏽鋼機體

SS

規 格 參 數
進口/出口尺寸 3”卡箍接頭 DN80-ISO2852 吸程-乾吸 5 米
氣源介面 3/4” BSPP 吸程-濕吸 9.8 米
流量 1050 升/分 允許顆粒物 12 mm
氣源壓力 2~8 bar 噪音等級 82 dB
揚程 80 米 介質粘度 55000 cps
防 爆 等 級

II 3/3 G Ex h IIB T4 Gb

II 3 D Ex h IIIB T135°C Db X

可選配更高防爆等級機型
流 量 曲 線  

  壓縮空氣源壓力 Bar

  空氣消耗量 Nit/min [SCFM]

1.流量曲線及性能參數是在水溫20℃及沉水方式往開放管路泵打測量的結果。

2.數值可能根據主體材質以及水壓條件不同而有差異。

3.影響流量的原因有:吸液方式,揚程高度,氣源壓力以及液體屬性等因素。

材質 淨重 耐溫
不鏽鋼 122 kg - 20 °C ~ + 95 °C
 
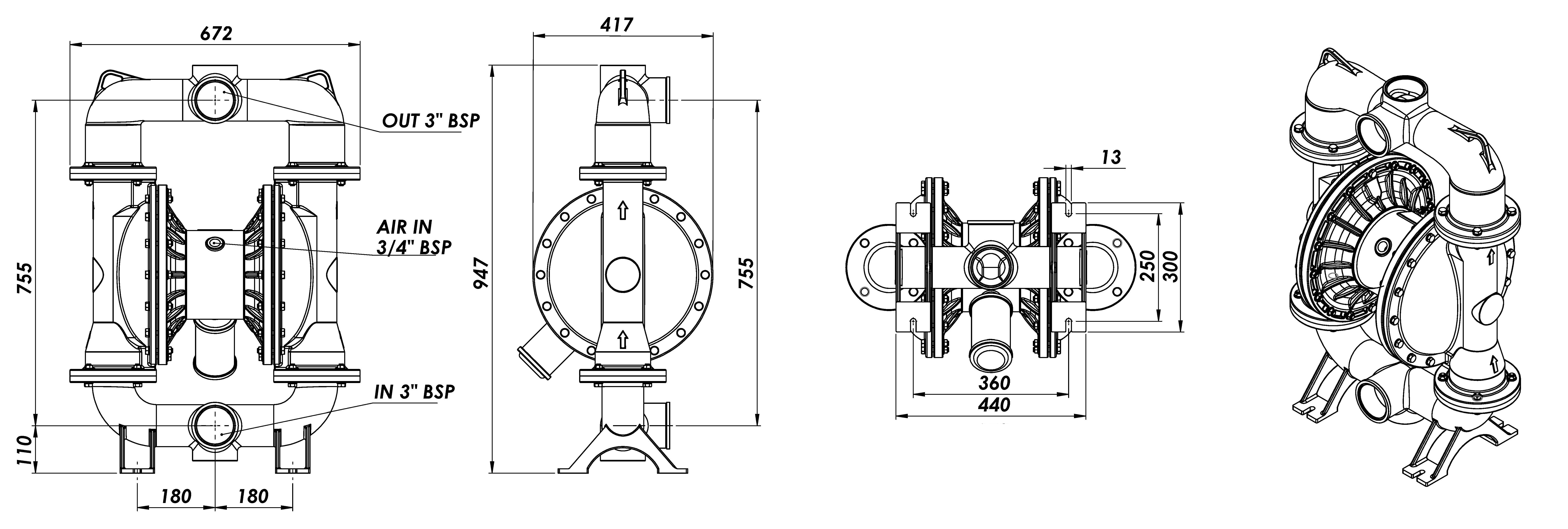
尺 寸
產 品 編 碼
型號 材質 膜片 閥球 球座 密封圈 介面樣式 防爆級 介面位置

PF1000

S=不鏽鋼電拋光
 
HT = HYTREL+PTFE T = PTFE
S = 316不鏽鋼
S=316不鏽鋼 T = PTFE 3= 卡箍接頭
1 = BSPP
6 = DIN
- = zone 2
X = zone 1
AB = 標準
 

台灣愛米克有限公司
地址:基隆市安樂區武訓街74號  電話:02-24310953  傳真:02-24311013  Email:emeccn@ms74.hinet.net

Copyright © 2026. 台灣愛米克有限公司 版權所有    瀏覽人數: